Register Now

Login

Lost Password

Lost your password? Please enter your email address. You will receive a link and will create a new password via email.

Login

Register Now

Lorem ipsum dolor sit amet, consectetur adipiscing elit.Morbi adipiscing gravdio, sit amet suscipit risus ultrices eu.Fusce viverra neque at purus laoreet consequa.Vivamus vulputate posuere nisl quis consequat.

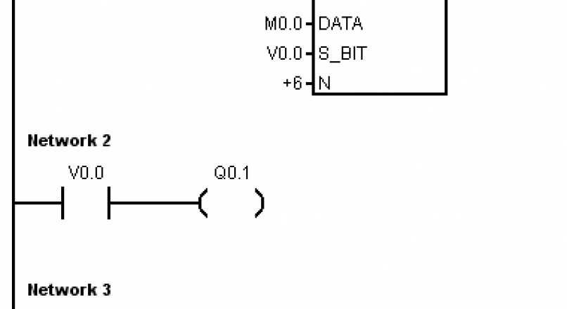
Siemens Bit Shifter PLC Program

Siemens Bit Shifter PLC Program

Siemens PLC Programming Example

Shift one bit to the right as long as the button is pressed.

plc programming bitshifter plc

NETWORK 1       //NETWORK TITLE (single line)

LD     I0.0

EU

SHRB   M0.0, V0.0, +6

 

NETWORK 2

LD     V0.0

=      Q0.1

NETWORK 3

LD     V0.1

=      Q0.1

NETWORK 4

LD     V0.2

=      Q0.2

NETWORK 5

LD     V0.3

=      Q0.2

NETWORK 6

LD     V0.4

=      Q0.1

NETWORK 7

LD     V0.5

=      Q0.5

NETWORK 8

LDN    V0.0

AN     V0.1

AN     V0.2

AN     V0.3

AN     V0.4

AN     V0.5

=      M0.0

 

About Admin